Dieser Kugelhahn mit eingebautem, senkrechtem Filter ermöglicht einen großen Durchfluss bei geringem Druckabfall und unterstützt einen maximalen Druck von 30 bar (PN).
Mit diesem innovativen Produkt kann die Installation von zwei Kugelhähnen vor und nach dem Filter vermieden werden. Schnelle und einfache Montage, Wartung und Reinigung.

Technische Informationen

  • Ersetzt 3 verschiedene Komponenten (2 Kugelhähne und einen Filter)
  • Reduziert Leckagerisiken durch niedrigere Dichtstellen
  • Kosteneinsparung durch reduzierte Anzahl von Komponenten
  • Zeitersparnis bei Installation und Wartung • Eingebauter vertikaler Filter mit Kartuschenstruktur aus AISI304 + Nylon (Filtrationsgrad: 500 Mikron / 35 Mesh). Größe ½ Zoll hat eine zentrale Rippe, um die Filterextraktion zu erleichtern.
  • Endprüfung gemäß UNI EN 12266-1 Punkte A3 / A4 (für Größen 1,½” und 2”: gemäß Richtlinie 2014/68/UE)
  • Keine metallischen beweglichen Teile
  • Der Griff zeigt deutlich die Kugelposition an
  • Verchromte Messingkugel für längere Lebensdauer.
  • Griffanschlag am Körper, um Spannungen am Schaft zu vermeiden
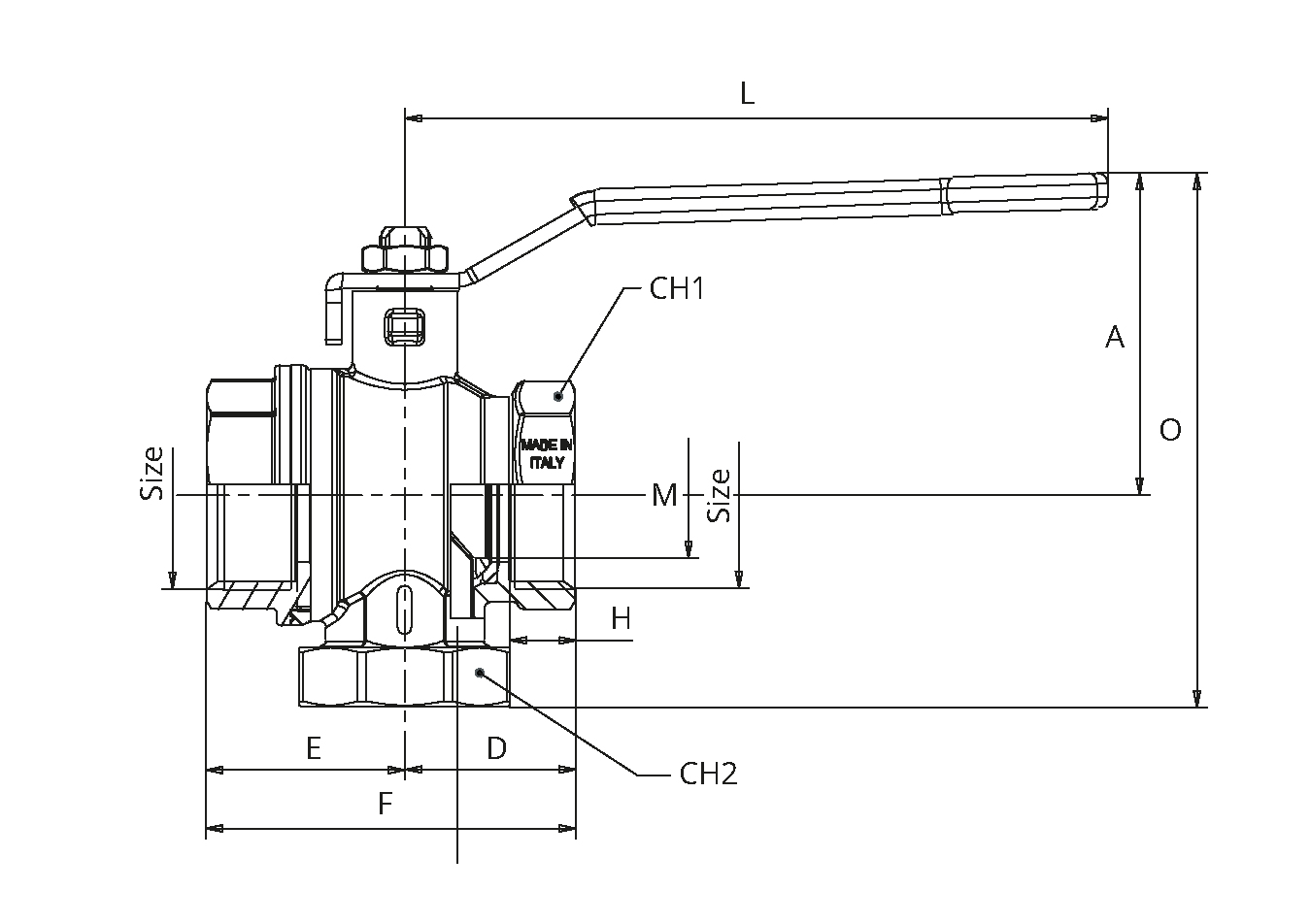
  • Nomineller Anschluss
  • Heißgeschmiedetes, sandgestrahltes, außen vernickeltes Messinggehäuse und Kappe, abgedichtet mit Loctite® oder einem gleichwertigen Gewindedichtmittel
  • Feinstes Messing gemäß den Spezifikationen EN 12165 und EN 12164
  • Bodenstopfen für eine einfache Filterwartung
  • Verzinkter Stahlgriff mit Kunststofftauchbeschichtung
  • WARNUNG: Überschreiten Sie nicht die angemessene Temperatur und/oder elektrische Belastung
  • Ausblassichere Spindel aus blankem Messing
  • Zwei O-Ringe an der Spindel (FKM + NBR) für maximale Sicherheit
  • 30 bar (450 PSI) stoßfreier Kaltarbeitsdruck für die Größen ½” bis 1”, 20 bar (290 PSI) für die Größen 1,¼” bis 2” • -20°C bis +150°C (-4° F bis +300 °F)
  • WARNUNG: Das Einfrieren der Flüssigkeit in der Anlage kann das Ventil schwer beschädigen
  • Sitze aus reinem PTFE
  • T-Griff für Größen von ½ bis 1.
  • ISO 228 paralleles Innengewinde auf Innengewinde
  • Gemäß 2014/68/UE dürfen 1,¼” und größere Größen nicht mit gefährlichen Flüssigkeiten verwendet werden
  • Water Regulations Advisory Scheme (Vereinigtes Königreich)

HINWEIS: Zulassungen gelten nur für bestimmte Konfigurationen/Größen.

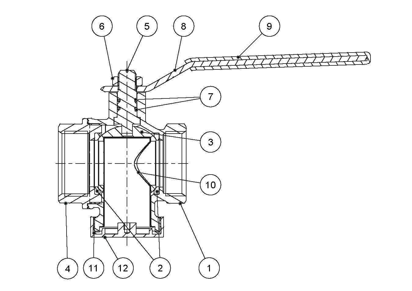
Teilebeschreibung Anzahl Teilmaterial
Vernickeltes Gehäuse (Außenbehandlung)
1
CW617N
Vernickelte Endkappe (äußere Behandlung)
2
CW617N
Verchromte Kugel
1
CW617N
Sitz
1
PTFE
Unbeschichtete Spindel O-Ring-Ausführung
1
CW614N
O-Ring
1
NBR
O-Ring
2
FKM
Filter
1
AISI304 + Nylon
Filter
1
AISI304 + Nylon
Flachdichtung
1
NBR
Gasket
1
EPDM
Nickel plated filter cap
1
CW617N
Druck-Temperatur-Diagramm
Druckverlust-Diagramm

Technisches Material

Fordern Sie weitere Informationen über die gesamte Palette der RuB-Produkte an und wenden Sie sich für spezielle Anwendungen an Ihren Ansprechpartner.

XCES97
-
0

Um alle verfügbaren technischen Materialien anzuzeigen
Registrieren Sie sich als Kunde