Permetti download anche all'utente anonimo
Off
Infos anfordern

Technische Informationen

  • 24h 100% Dichtigkeitstest garantiert
  • Das doppelte Dichtungssystem ermöglicht den Betrieb des Ventils in beide Richtungen, wodurch die Installation vereinfacht wird
  • Keine metallischen beweglichen Teile
  • Keine Wartung jemals erforderlich
  • Der Griff zeigt die Ballposition deutlich an
  • Silikonfreies Gleitmittel auf allen Dichtungen
  • Verchromte Messingkugel für längere Lebensdauer
  • Griffstopper am Körper, um Spannungen am Schaft zu vermeiden
  • Voller Durchgang nach DIN 3357 für maximalen Durchfluss
  • Heißgeschmiedetes, sandgestrahltes, Unvernickeltes Messinggehäuse und Kappe mit Loctite® oder einem gleichwertigen Gewindedichtmittel abgedichtet
  • Feinstes Messing nach EN 12165 und EN 12164 Spezifikationen
  • Geomet® Karbonstahlgriff mit dicker PVC-Tauchbeschichtung. Die Griffbeschichtung bietet sowohl thermischen als auch elektrischen Schutz
  • WARNUNG: Überschreiten Sie nicht die angemessene Temperatur und/oder elektrische Last
  • Griff bei in Betrieb befindlichem Ventil abnehmbar
  • Ausblassicherer Schaft aus vernickeltem Messing
  • Wartungsfreie, doppelte FPM-O-Ringe am Vorbau für maximale Sicherheit
  • 600 PSI (40 bar) bis 2″, 450 PSI (30 bar) über 2″ stoßfreier Kaltarbeitsdruck
  • 250 psi (17 bar) stoßfreier Arbeitsdruck für Flüssiggas
  • -40 °F bis +350 °F (-40 °C bis +170 °C)
  • ACHTUNG: Das Einfrieren der Flüssigkeit in der Anlage kann das Ventil schwer beschädigen
  • Selbstschmierende Sitze aus reinem PTFE mit flexiblem Lippendesign
  • Stammverlängerung
  • T-Griff 
  • Edelstahlgriff (1.4016 / AISI 430)
  • Ovaler abschließbarer Griff bis 2″, rund über 2″
  • Patentierte Verriegelungsvorrichtung für Ventile bis 4″
  • Kurzer Griff
  • RuB-Memory-Stop, der für die Installation mit unserem Stummelgriff entwickelt wurde
  • NPT-Kegel ANSI B.1.20.1 weiblich durch Innengewinde
  • Edelstahlkugel (1.4401 / AISI 316)
  • Glasgefüllte PTFE-Dichtungen
  • Maßgefertigtes Design
  • Spezielle Konfiguration für industrielle Sauerstoffanwendungen
  • Canadian Standards Association (Vereinigte Staaten, Kanada)
  • Factory Mutual (Vereinigte Staaten)
  • GOST-R (Russland)
  • RoHS-konform (EU)
  • Underwriters Laboratories (USA, Kanada): – Führung YSDT: Flüssiggas-Absperrventil – Führung YRBX: Absperrventil für brennbare Flüssigkeiten – Guide YRPV: Gasabsperrventil für den Einsatz mit Erdgas und Industriegasen – Anleitung MHKZ: Öl Nr. 6 bei 250 °F
  • Entspricht der US-amerikanischen Spezifikation WW-V-35C (Vereinigte Staaten)
  • CRN-TSSA gem. nach MSS SP110 (Kanada)
  • HINWEIS: Zulassungen gelten nur für bestimmte Konfigurationen/Größen.

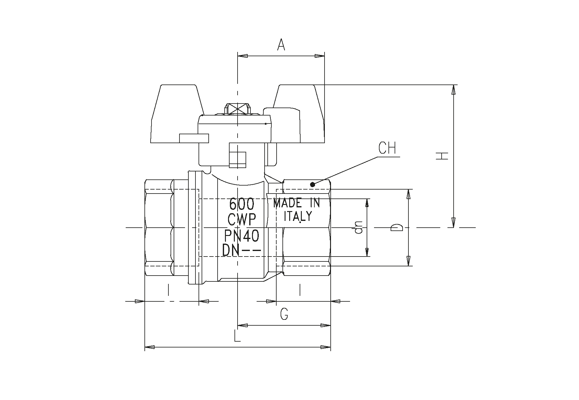
1.1/4” – 2” Hohlkugel

Teilebeschreibung Anzahl Teilmaterial
Unvernickelter NPT-Körper
1
CW617N
Sitz
2
PTFE
Verchromte Kugel
1
CW617N
Unbeschichtete NPT-Endkappe
1
CW617N
Vernickeltes Schaft-O-Ring-Design
1
CW617N
Geomet® Mutter
1
CB4FF (EN10263-2)
O-Ring
2
FPM
Gelber PVC-beschichteter Geomet®-Stahlgriff
1
DD11 (EN10111)
Geomet® steel T-handle
1
DD01 (EN10111)
Yellow dipped coating
1
PVC

DN entspricht dem Nenn-Durchflussdurchmesser. Der tatsächliche Durchflussdurchmesser entspricht einem Volldurchgang nach DIN 3357 Teil 4. Die Spindel bei Ventilen über 2“ ist etwas anders gestaltet.

Druck-Temperatur-Diagramm
Druckverlust-Diagramm

Technisches Material

Permetti download anche all'utente anonimo
Off

Fordern Sie weitere Informationen über die gesamte Palette der RuB-Produkte an und wenden Sie sich für spezielle Anwendungen an Ihren Ansprechpartner.

XCES9546
-
5813

Um alle verfügbaren technischen Materialien anzuzeigen
Registrieren Sie sich als Kunde